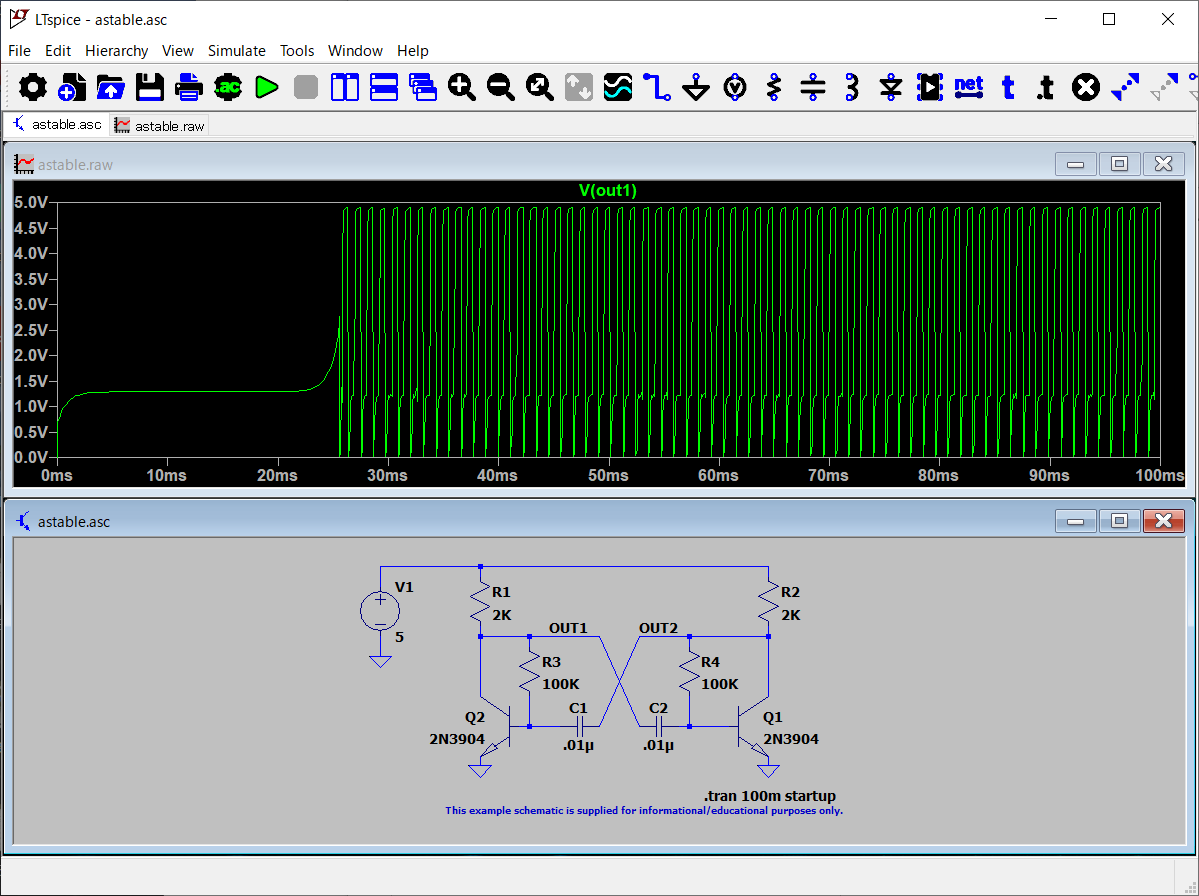
準備工作(19)(20250927)


R3を100.000000000001Kへ変更すると、発振しなくなったと思いきや、
図 LTspice

表示時間を25msから100msへ長くすると、発振していた。
いやー、我ながら、よく気付いたなぁ。気付かなければ、恥をかくところだった。ふぅ。
図 LTspice

って、待てよ。これって、ほかにもあるんじゃね?
つーのは、R3=R4だと発振しないと思っていたけど、表示時間を長くすると、
図 LTspice

しっかりと発振してるじゃん、もう。
実物の抵抗だと、同じ抵抗値でもビミョーな差があるので発振するけど、理想の抵抗だと、同じ抵抗値では差がないので、発振しないと思ってた。LTscale、スゲー。
図 LTspice

って、待てよ。これって、ほかにもあるんじゃね?
つーのは、元々の回路も発振しないと思っていたけど、表示時間を10sから1000sへ長くすると、
図 LTspice

全然発振しないじゃん、もう。
そーゆー簡単な話じゃないってことかぁ。むーん。(-_-)そりゃあ。
図 LTspice

せっかくなので、R1を11Kにして、もう一度。
同じく、全然発振しない。でも、OUT1の値(0.3285V)とOUT2の値(0.3200V)に差が出た。
図 LTspice

さらに、R1を100Kにすると、OUT1の値とOUT2の値にもう少し差が出た。
図 LTspice

さらに、R1を1000Kにすると、以下同文。
図 LTspice

さらに、R1を1000000Kにすると、以下同文。
図 LTspice

でも、それ以上増やしても、あまり変わらず。ひょっとして、そのうち、もしかして発振するかと期待したけど、ダメ。
そーゆー簡単な話じゃないってことかぁ。むむーん。(-_-)そりゃあ。


トップ /前ページ /次ページ