新線改々(26)(20210211)


配線の間違いがないように、念には念を入れたつもりだが、前例もあるので、不安極まりない。不安はあるけど、配線が終わったら試運転をしないとな。
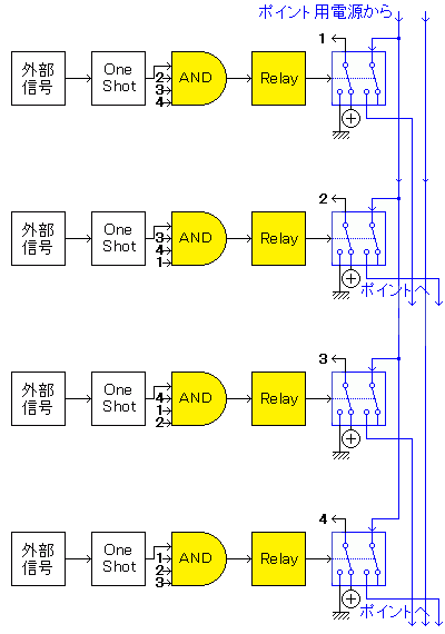
でも、その前に、回路図を変更しておかないとな。ANDとリレーの順序を逆にしたから。
図 ポイント切替基板のフロー図(改良案)

ついでにIC周りの配線図も作っておかないとな。すぐ忘れるから。
図 7421(AND)周りの配線図

回路図と配線図を見れば見るほど、これでダメなはずはないと思うけど、問題はこの通りに作ったかどうかだ。機械は思った通りにではなく、作った通りに動く、という先輩Y氏の至言もあるからなぁ。
ともかく、試運転だ。本来は事前に配線が短絡してないかを確かめたいけど、すでに部品をたくさん載せているので、そうもいかず。なので、まずは、基板をつないで、エイっと電源を入れる。
写真 ポイント切替基板(テスト中)

すると、特に熱や臭いもない。いや、ホントに燃えなくてよかった。最初のハードルをクリアしたので、続いて、ICを差して、以下同文。
写真 ポイント切替基板(テスト中)

すると、同じく、特に熱や臭いもない。なので、続いて、走行切替基板からの信号線をつないで、以下同文。
写真 ポイント切替基板(テスト中)

すると、2番のリレーが一瞬ONになって、消灯。特に問題はない。なので、続いて、ポイント駆動用の12Vの電源をつないで、以下同文。
写真 ポイント切替基板(テスト中)

すると、同じく、2番のリレーが一瞬ONになって、消灯。特に問題はない。なので、続いて、ポイント側の配線もつないで、以下同文。
写真 ポイント切替基板(テスト中)

すると、2番のリレーと4番のリレーがON/OFFを繰り返す。ありゃ、またダメか。
写真 ポイント切替基板(テスト中)

でも、少なくとも2番のリレーと4番のリレーが同時にONにはならない。つまり、インターロックはしっかりと効いているとゆーことだ。あと、2番のリレーと4番のリレーのON/OFFは同期しているけど、2番のリレーのONの時間はフツーだけど、4番のリレーのONの時間は極めて短い。
うーむ、残念。あと一息だと思うんだけどなぁ。まだ何かが足りないんだよなぁ、何かはまだ分からないけど。


トップ /前ページ /次ページ